电话:
邮箱:
多语言网站:

您所在的位置: 首页> 产品及解决方案> 液压软管流体连接件> 公制螺纹软管接头> 公制螺纹24°锥密封轻系列
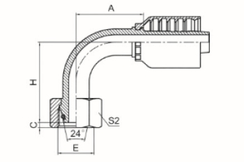
公制外螺纹24°内锥面轻系列ISO 8434-1-DIN 3861

在线咨询
全国服务热线 :
公制外螺纹24°内锥面轻系列ISO 8434-1-DIN 3861
数据展示
代 号 螺纹E 软 管 管子外径 尺寸
公称内径 标 号 A C S2
10411-12-04 M12X1.5 6 04 6 22 10 12
10411-14-04 M14X1.5 6 04 8 22 10 14
10411-14-05 M14X1.5 8 05 8 22 10 14
10411-16-04 M16X1.5 6 04 10 23.5 11 17
10411-16-05 M16X1.5 8 05 10 23.5 11 17
10411-16-06 M16X1.5 10 06 10 23.5 11 17
10411-18-05 M18X1.5 8 05 12 24 11 19
10411-18-06 M18X1.5 10 06 12 24 11 19
10411-22-06 M22X1.5 10 06 15 26.5 12 24
10411-22-08 M22X1.5 12 08 15 27 12 24
10411-26-08 M26X1.5 12 08 18 28.5 12 27
10411-26-10 M26X1.5 16 10 18 29.5 12 27
10411-27-10 M27X1.5 16 10 18 32.5 14 30
10411-30-10 M30X2 16 10 22 33.5 14 32
10411-30-12 M30X2 20 12 22 33.5 14 32
10411-36-16 M36X2 25 16 28 36 14 38
10411-45-20 M45X2 32 20 35 40 16 46
10411-52-24 M52X2 40 24 42 43 16 55
注:1.上诉代号用于编制软管。 2.如需用于缠绕软管代码号改为10412-xx-xx。 NOTE : 1.FOR USE WITH BRAIDED HOSES 2.IF USE WITH SPIRAL HOSES ,HOSE FITTINGS SERIES NUMBER IS 10412-XX-XX.